Продукція

Продукція

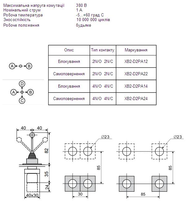
Маніпулятори XB2-D2PA

Виробник - “АсКо-УкрЕм” (Китай). Вітчизняний постачальник електротехнічної продукції, низьковольтних комплексних установок, провідний оператор електро- та світлотехнічного ринку України.

Всі продукти АсКо-УкрЕм проектуються, виробляються та тестуються з дотриманням діючих норм і стандартів.

  • Детальний опис

  • Характеристика

Маніпулятори XB2-D2PA призначені для установки в пультах ( шафах ) управління і сигналізації, або безпосередньо в корпусах пристроїв. Привід і основа виконані з металу . Підключення монтажних проводів проводиться за допомогою гвинтових затискачів.